Air780Exx系列低功耗模组提供了专用的SPI LCD接口,为显示应用带来稳定高效的解决方案。该接口不仅引脚固定、兼容广泛的驱动IC,更配以完善的软件库支持,助力开发者快速实现显示功能。
一、硬件接口简介
Air780Exx系列低功耗模组SPI LCD接口固定为PIN49至PIN53,专为驱动液晶显示屏设计。
下图以Air780EPM模组为例:

LCD相关接口名称如下:
PIN49:LCD_RST
PIN50:LCD_SDA
PIN51:LCD_RS
PIN52:LCD_CS
PIN53:LCD_CLK
重要提示:
虽然接口名称中包含“SPI”,但此接口是专为LCD设计的专用总线,不能用作通用SPI总线。
二、LCD适配方案
实际应用中,先了解LCD相关参数、已适配的芯片型号,以及官方推荐的快速开发方案,将帮助你在选型时做出准确决策,大幅提升开发效率,并有效规避兼容性与驱动层面的潜在风险。
2.1 分辨率支持
Air780Exx系列低功耗模组支持320×480分辨率,这一规格能够满足大多数中低复杂度物联网设备(如工业控制、智能家居等领域)的显示需求。
2.2 驱动IC兼容
已调试通过的驱动IC包括:
ST7735 / ST7735S
ST7789
ST7796
ILI9341
ILI9486
GC9306
2.3 官方配件
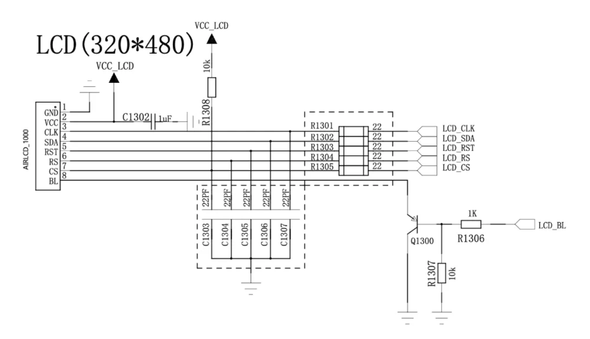
目前,为Air780Exx系列提供官方标准LCD配件板——AirLCD_1000,其规格为3.5英寸、320*480分辨率,适配ST7796驱动IC。

三、相关注意事项
要确保显示屏在项目中稳定可靠地工作,仅了解驱动参数还远远不够。以下几个硬件设计与扩展相关的核心要点,需要开发者特别关注:
3.1 电源管理设计
当LCD的供电电源不支持通过GPIO控制使能管脚EN控制开启或关断时,LCD_CS注意上拉到LCD供电电源上。以防止LCD_CS在低功耗状态下,软件未初始化时为低,进而产生耗电。

3.2 触摸功能实现
Air780Exx系列模组同时支持触摸屏功能。从硬件角度看,触摸功能本质上是I2C总线的一个应用(大多数触摸IC采用I2C接口)。
3.3 其他显示接口选项
除SPI LCD外,Air780EHM、Air780EHV、Air780EGH、Air780EGG等子型号还支持QSPI LCD接口,为更高性能需求提供选择。

四、开发配置要点
提供的工具链与丰富的软件生态,能帮助你快速完成初始化并构建交互界面。
4.1 引脚初始化配置
在使用SPI LCD功能前,需要先使用LuatIO工具生成pins配置json文件,也就是对IO的初始化功能配置。

4.2 核心库与扩展库选择
LuatOS为LCD开发提供了丰富的软件库支持
核心库
lcd库:显示驱动核心库
tp库:触摸屏驱动核心库
gtfont库:高通字库核心库
扩展库
exeasyui库:简易UI框架
AirUI扩展库正在开发中,目前推荐使用exeasyui进行界面设计。
特别说明:
spi库(通用SPI总线核心库),与SPI LCD无直接关系,请勿混淆。
4.3 新功能规划
积极开发多项提升开发体验的新功能:
自研矢量字库hzfont扩展库:
开发完成后将可省去高通矢量字库芯片,降低成本。
增强型LCD/TP库:
基于lcd和tp核心库开发的exlcd和extp扩展库,将进一步提升易用性,降低开发门槛。
今天的内容就分享到这里了
审核编辑 黄宇







