小伙伴们,新一期的唯创WT语音芯片小讲堂又和大家见面了!这一次,我们聊的主角有点特别——不是什么精密仪器,也不是工业设备,而是一台会说话、能听懂孩子指令的AI儿童打印机。
你可能会想:打印机不就是"按一下、出一张纸"的东西吗,能有多大花样?别急,等你看完今天的故事,或许会重新认识这个小家伙。
从一个常见的场景说起
先从一个家里常见的场景说起。
宝妈说,电视看太久了,对眼睛不好,关掉!孩子哇哇大哭,哭了十几分钟……宝妈妥协,电视重新开了。
这个画面,是不是很多家长都经历过?为了让孩子安静下来,零食、糖果、电视轮番上阵,久而久之,坏习惯也就悄悄养成了。
真正的问题其实在于:孩子需要的不是"被安抚",而是一个能让他们投入进去的事情。创作、表达、探索——这些才是孩子天生热衷的事情。而现在,有一类产品正在尝试用技术来填上这个空缺,它就是AI儿童打印机。

打印机怎么就变成“伙伴”了
说到AI儿童打印机,目前市场上的产品大致走着两条路。
一条路叫"创意互动"。孩子用语音描述自己想要的图案——"一只背着翅膀在天上飞的恐龙"——打印机就真的能生成出来,打印成一张贴纸或者图画。想象力有多丰富,打印出来的东西就有多有趣。另一条路叫"学习辅导"。AI自动批改作文、识别错别字、打印参考答案,家长再也不用为辅导孩子作业而头疼,孩子也不需要盯着屏幕,纸质学习的感觉悄悄回来了。
这两条路看起来不同,但背后解决的其实是同一个问题:怎么让孩子离开屏幕,但依然快乐而专注。
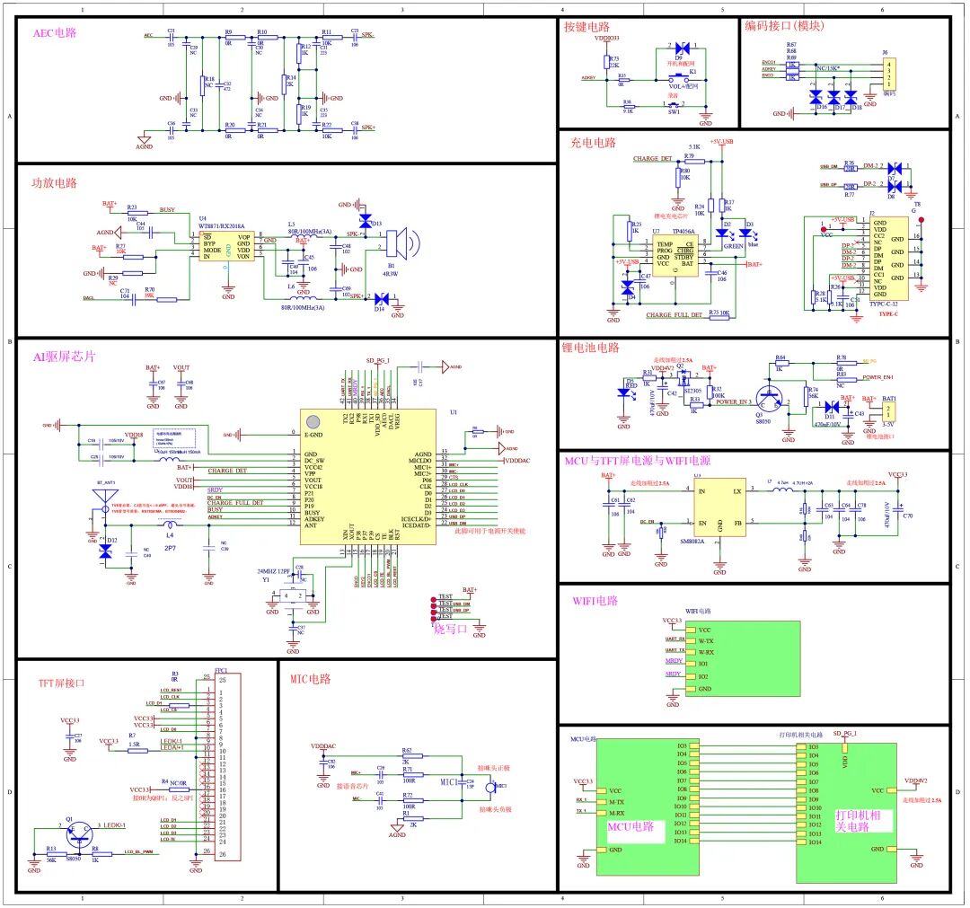
这个时候有些同学就要举手了:这说起来容易,但打印机怎么听懂孩子说的话?孩子咬字不清楚、说话磕磕绊绊,机器能"明白"吗?这就要说到今天我们的主角——WT2606A3-42N芯片了。
一颗芯片,能听懂多少指令?
WT2606A3-42N是唯创知音推出的AI语音交互SOC芯片,你可以把它理解成儿童打印机的"耳朵+大脑+嘴巴"的组合体。它不仅能听懂孩子的指令,还能驱动屏幕显示内容,同时完成语音播报和云端数据的收发处理——而这一切,只用一颗4×5毫米的小芯片就搞定了。
为什么能做到这些?核心在于它的双核32位DSP架构,主频160MHz,简单来说,就是"反应快、算得准"。就好比一个人同时用两只手处理两件不同的事情,既不会乱,也不会慢。孩子说了一句"我要一只戴帽子的小猫",芯片在极短的时间内完成唤醒识别、降噪处理、指令理解、屏幕联动,整个过程行云流水,没有令人尴尬的卡顿。
降噪这件事,对儿童打印机来说尤其关键。孩子说话的声音环境可不像录音棚——家里可能开着电视,旁边可能有人说话,甚至孩子自己还没说完就被别的事情分心了。WT2606A3-42N内置自适应宽频降噪技术,支持混合、前馈、反馈多种降噪模式,能够从嘈杂的环境中精准"抓住"孩子真正想说的那句话,就像在喧闹的操场上,老师依然能听清某个孩子叫了一声"老师!"一样。

从“打印一张图”到
“陪孩子长大”
WT2606A3-42N的能力不止于此。它支持QSPI与SPI屏驱动,这意味着打印机不再只是"出纸的机器",屏幕可以实时显示孩子正在生成的图案,孩子能看着图一点点成形,那种参与感和期待感,是按一下出纸的旧式打印机完全给不了的。
芯片同时兼备蓝牙V5.3和低功耗LE Audio等多种连接方式,配合U盘离线升级功能,厂家可以在不改动硬件的情况下持续更新内容和功能——今天支持黑白图像,明天加上彩色,后天说不定就能生成3D模型。对于一个要陪伴孩子好几年的产品来说,这种"成长能力"意义重大。
假如你是一个产品开发工程师,面对AI儿童打印机的开发任务,传统方案意味着语音识别、屏幕驱动、蓝牙通信各用一颗芯片,不同模块之间的协调调试往往耗掉大量时间,开发周期被拉得很长。而WT2606A3-42N的单芯片方案,通过标准UART串口与主控通信、指令集清晰简洁,大幅降低了开发门槛——就像原本要组建一支乐队才能演出,现在一个全能音乐人就能撑起全场。

技术背后
是一个更大的远景
说了这么多,我们回到最初的那个问题:一台会说话的打印机,到底能改变什么?
它改变的,是孩子和创造力之间的距离。当孩子发现只需要开口说话,脑子里的恐龙、小猫、飞船就能变成真实的一张纸,他们的好奇心和表达欲会被激活,而不是被屏幕和零食消耗掉。它改变的,还有家长面对孩子时的那份无力感——不是妥协开电视,而是递给孩子一台能陪他玩、还能帮他学的小伙伴。

从某种意义上说,AI儿童打印机只是一个开始。它让我们看到,当一颗小小的芯片嵌入一台再普通不过的打印机,原本沉默的机器就有了倾听的耳朵、表达的嘴巴,以及陪伴孩子成长的可能性。
而这一切的起点,就从这颗小小的WT2606A3-42N开始吧。







